

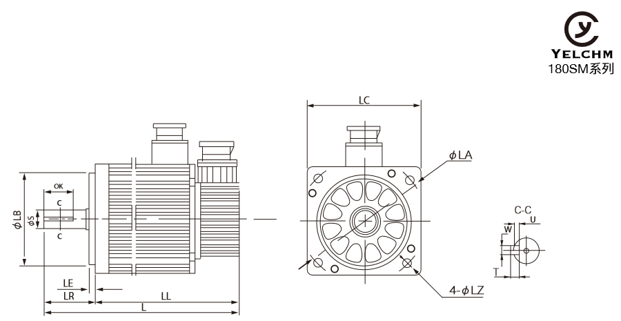
| 型号 | 尺寸 | 重量(Kg) | 额定功率(W) | 额定力矩(N.m) | 额度转速(Rpm) | ||||||||||||
| L | L L | LR | LA | LB | S | LC | LE | LZ | OK | W | T | U | |||||
| 180Sm17015 | 290 | 210 | 80 | 200 | 114.3 | 35 | 180 | 5 | 13 | 57 | 10 | 10 | 5 | 18 | 2550 | 17 | 1500 |
| 180Sm19015 | 305 | 225 | 80 | 200 | 114.3 | 35 | 180 | 5 | 13 | 57 | 10 | 10 | 5 | 19 | 2850 | 19 | 1500 |
| 180Sm21515 | 258 | 210 | 56 | 145 | 114.3 | 35 | 180 | 5 | 13 | 57 | 10 | 10 | 5 | 20 | 3200 | 21.5 | 1500 |
| 180Sm24020 | 268 | 220 | 56 | 145 | 114.3 | 35 | 180 | 5 | 13 | 57 | 10 | 10 | 5 | 24 | 4800 | 24 | 2000 |
| 180Sm36015 | 268 | 220 | 56 | 145 | 114.3 | 35 | 180 | 5 | 13 | 57 | 10 | 10 | 5 | 33 | 5400 | 36 | 1500 |
| 180Sm48015 | 296 | 248 | 56 | 145 | 114.3 | 35 | 180 | 5 | 13 | 57 | 10 | 10 | 5 | 35 | 7200 | 48 | 1500 |
备注:带抱闸长度加长60mm,电机可根据客户要求定制。




180香蕉电影网在线观看主图

180系列香蕉电影网在线观看背面

180香蕉电影网在线观看正面

180系列香蕉电影网在线观看上截面

180香蕉电影网在线观看侧面

180系列伺服航空插特写

交流香蕉电影网在线观看尺寸图
1、 精度:实现了位置,速度和力矩的闭环控制;克服了精品香蕉视频失步的问题;
2、转速:高速性能好,一般额定转速能达到2000~3000转;
3、适应性:抗过载能力强,能承受三倍于额定转矩的负载,对有瞬间负载波动和要求快速起动的场合特别适用;
4、稳定:低速运行平稳,低速运行时不会产生类似于精品香蕉视频的步进运行现象。适用于有高速响应要求的场合;
5、及时性:电机加减速的动态相应时间短,一般在几十毫秒之内;
香蕉电影网在线观看的应用领域就太多了。只要是要有动力源的,而且对精度有要求的一般都可能涉及到香蕉电影网在线观看。如:机床、印刷设备、包装设备、纺织设备、激光加工设备、机器人、自动化生产线等对工艺精度、加工效率和工作可靠性等要求相对较高的设备电机
180系列香蕉电影网在线观看 香蕉电影网在线观看型号 香蕉电影网在线观看价格 香蕉电影网在线观看品牌 香蕉电影网在线观看厂家
91香蕉视频在线机电(无锡)有限公司
地址:江苏省无锡市钱桥镇胜丰村
龙亨沟88号
邮编:214151
电话:0510-83239135
0510-83231502
传真:0510-83233870
手机:唐小姐18936070071
孙小姐18914100270
QQ:唐小姐810806445
孙小姐2143562638
